-
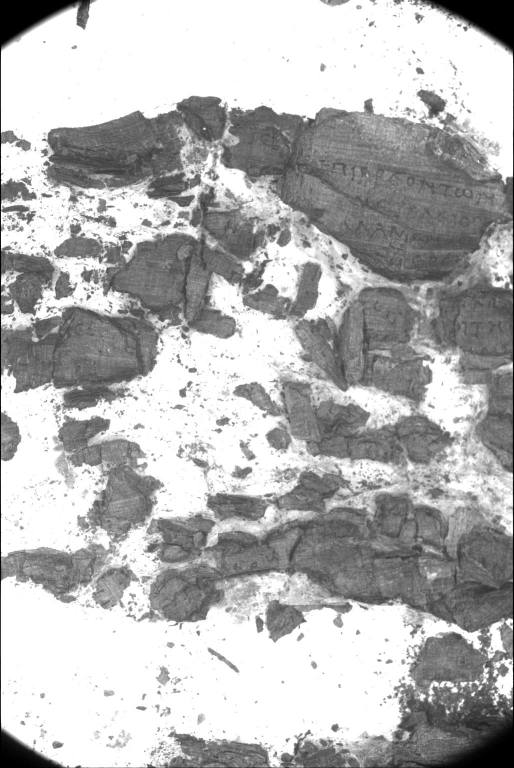
Papiro 1221
| Argomento | |
|---|---|
| Autore | Scriptor Graecus incertus* |
| Lingua | Greco |
| Conservazione | Conservato |
| Stato | Intero |
| Scorza | -- |
| Altezza | -- |
| Diametro | -- |
| Papiri appartenenti allo stesso rotolo | -- |
| Note |
| Svolgitore | Biondi, R. |
|---|---|
| Anno di svolgimento | 1858 |
| Prima | -- |
| Dopo | -- |
| Abbr. Bibliografica | Link | Pagine |
|
Anno | Risolvi biblio. |
|---|---|---|---|---|---|
| Leone, Carrelli, La morfologia dei papiri ercolanesi | 187 | -- | 2015 | ||
| Martini | | 129 | -- | 1883 |
| Cornice | Pezzo | Larghezza | Altezza |
|---|---|---|---|
| 01 | 1 | 22.5 | 10.3 |
| 2 | 36 | 11 |
| Disegni | Disegnatore | Anno |
|---|
| Disegnatore | Volume | Numero |
|---|
Torna ai risultati della ricerca